您当前位置: 首页 > 产品信息 > 项目合作 > 工业皮带

东莞市首普机电有限公司

单相高压风机出厂价供应 广东狮歌高压风机

联系人: 上官升鸿    点击这里给我发消息

手机:18922989278

电话:0769-22335055

联系我时务必告知是在[易快得网]看到的!

企业名称:东莞市首普机电有限公司

企业商铺:http://www.ekaid.com/u10258/

联系地址:东莞市南城区莞太路7号二楼

产品分类

详细信息

品牌狮歌型号2LG410类型高压鼓风机
电压220V气流方向离心风机材质铝合金
风机压力高压风机性能低噪音风机用途船用风机
重量15(kg)功率0.85(kw)风量2.5(m3/m)
升压16(kPa)适用范围山东加工定制

首普国际机电有限公司是专业销售,包头高压风机质量均通过国家资检局的3C查验,和SGS的认证,CE认证,质量和安全有极大保障。价格有优势,交货快。

 

 

型号

频率

HZ

额定

功率

KW

输出电压

V

额定电流

A

大排吸

气量m3/h

额定吸

入压力mbar

额定排

气压力mbar

噪音

dB(A)

重量

kg

2LG410-7AA11

50

0.8

230

5.2

145

-150

160

63

15

60

0.9

230

5.8

175

-160

140

64

 

 

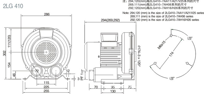
2LG410尺寸图
12型号
单段01

undefined     

单相高压风机

免责声明: 【东莞市首普机电有限公司】所提供的公司介绍、产品信息等相关信息均有【东莞市首普机电有限公司】自行负责,商品内容真实性、准确性、合法性由【东莞市首普机电有限公司】完全承担,飞收网对此不承担任何保证责任。